(주)파워에프에이

제품소개

(주)파워에프에이는 고객과 함께하는 자동화 부품의 선두주자입니다.

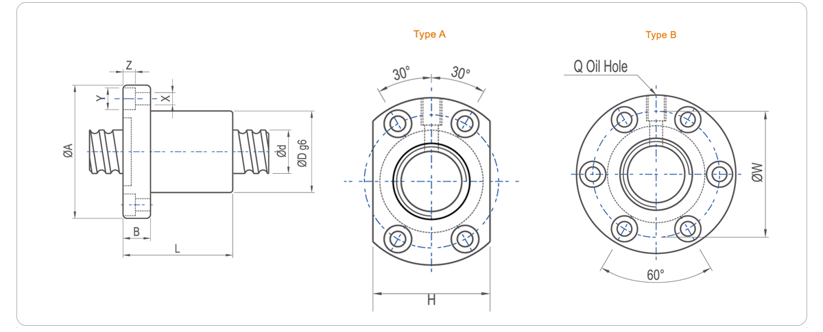
DIN69051 Series

FDU(DIN69051)