(주)파워에프에이

제품소개

(주)파워에프에이는 고객과 함께하는 자동화 부품의 선두주자입니다.

ARD series

Product features

- Equipped with cover strip
- High dustproof effectiveness
- Easy installation
- Available in all sizes: 15-55
- Length of the cover strip will be the same as the guide rail
- Fixed device provided on both ends


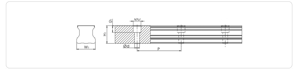
Dimension

Information on the functions and specifications of the linear guides of the ARD/HRD/ERD series please refer to the ARC/HRC/ERC series in the catalog.


Ordering information